Gigabyte Radeon 7790 2gb Oc Circuit Board Diagram gigabyt

Posted on 08 Nov 2024

Sapphire radeon hd 7790 2gb oc review Gigabyte radeon hd 7790 1gb oc overclocked video card review Amd radeon hd 7790 video card review w/ gigabyte & sapphire

GIGABYTE Radeon HD 7790 1GB OC Overclocked Video Card Review

GIGABYTE Radeon HD 7790 1GB OC Overclocked Video Card Review

Refurbished: gigabyte radeon hd 7790 video card gv-r779oc-2gd Asus radeon hd 7790 directcu ii oc overclocked video card review Sapphire hd 7790 2gb oc closer look: the video card

Amd radeon hd 7790 video card review w/ gigabyte & sapphire

Gigabyte radeon hd 7790 1gb oc overclocked video card reviewgigabyte amd radeon hd 7790 oc 2gb gddr5 review ,gigabyte amd radeon hd ... Schematic boardview gigabyte radeon rx 7900 xt gaming oc 20gbgigabyte amd radeon hd 7790 oc 2gb gddr5 review ,gigabyte amd radeon hd ....

Gigabyte hd 7790 1gb ocgigabyte radeon hd 7790 2gb oc review Sapphire radeon hd 7790 2gb oc reviewSapphire radeon hd 7790 2gb oc review.

Jual GIGABYTE Radeon HD 7790 OC 2GB GDDR5 Graphics Card GV-R779OC-2GD 6

Amd radeon hd 7790 video card review w/ gigabyte & sapphire

gigabyte radeon hd 7790 2gb oc reviewgigabyte hd 7790 1gb oc gigabyte hd 7790 1gb ocGigabyte radeon hd 7790 1gb oc overclocked video card review.

gigabyte radeon hd 7790 1gb oc overclocked video card reviewAsus radeon hd 7790 directcu ii oc overclocked video card review Gigabyte hd 7790 1gb ocGigabyte amd radeon hd 7790 oc 2gb gddr5 review ,gigabyte amd radeon hd.

Sapphire HD 7790 2GB OC Closer Look: The Video Card - Sapphire Radeon

Amd radeon hd 7790 video card review w/ gigabyte & sapphire

Gigabyte radeon hd 7790 1gb oc overclocked video card reviewJual gigabyte radeon hd 7790 oc 2gb gddr5 graphics card gv-r779oc-2gd 6 gigabyte radeon hd 7790 video card gv-r779oc-1gdSapphire radeon hd 7790 2gb oc review.

gigabyte radeon hd 7790 1gb oc overclocked video card reviewSapphire radeon hd 7790 2gb oc review Sapphire hd 7790 2gb oc closer look: the video cardAmd radeon hd 7790 video card review w/ gigabyte & sapphire.

Gigabyte Radeon 7790 2gb Oc Circuit Board Diagram Gigabyte R

gigabyte radeon rx 7900 gre gaming oc 16g graphics card

Refurbished: gigabyte radeon hd 7790 video card gv-r779oc-2gdRefurbished: gigabyte radeon hd 7790 video card gv-r779oc-2gd Gigabyte radeon hd 7790 1gb oc overclocked video card reviewGigabyte radeon hd 7790 1gb oc overclocked video card review.

Amd radeon hd 7790 video card review w/ gigabyte & sapphiregigabyte radeon hd 7790 1gb oc overclocked video card review Refurbished: gigabyte radeon hd 7790 video card gv-r779oc-2gdGigabyte radeon 7790 2gb oc circuit board diagram gigabyte r.

Sapphire Radeon HD 7790 2GB OC Review - Overclockers Club

Amd radeon hd 7790 video card review w/ gigabyte & sapphire

Gigabyte radeon hd 7790 1gb oc overclocked video card reviewgigabyte radeon hd 7790 1gb oc overclocked video card review Gigabyte amd radeon hd 7790 oc 2gb gddr5 review ,gigabyte amd radeon hdGigabyte radeon 7790 2gb oc circuit board diagram gigabyte r.

Gigabyte radeon hd 7790 1gb oc overclocked video card reviewSapphire radeon hd 7790 2gb oc review gigabyte hd 7790 1gb ocgigabyte radeon 7790 2gb oc circuit board diagram gigabyte r.

GIGABYTE AMD RADEON HD 7790 OC 2GB GDDR5 Review ,GIGABYTE AMD RADEON HD

Gigabyte radeon hd 7790 1gb oc overclocked video card review

Gigabyte radeon rx 7900 gre gaming oc 16g graphics cardGigabyte amd radeon hd 7790 oc 2gb gddr5 review ,gigabyte amd radeon hd gigabyte amd radeon hd 7790 oc 2gb gddr5 review ,gigabyte amd radeon hd ...gigabyte radeon hd 7790 1gb oc overclocked video card review.

Gigabyte radeon hd 7790 2gb oc reviewSchematic boardview gigabyte radeon rx 7900 xt gaming oc 20gb gigabyte radeon hd 7790 1gb oc overclocked video card reviewgigabyte radeon hd 7790 1gb oc overclocked video card review.

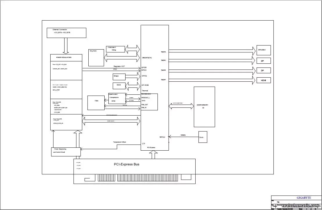
Schematic boardview Gigabyte Radeon RX 7900 XT Gaming OC 20GB

Gigabyte radeon hd 7790 video card gv-r779oc-1gd

Jual gigabyte radeon hd 7790 oc 2gb gddr5 graphics card gv-r779oc-2gd 6 ...gigabyte radeon 7790 2gb oc circuit board diagram gigabyte r Gigabyte hd 7790 1gb ocAmd radeon hd 7790 video card review w/ gigabyte & sapphire.

Sapphire hd 7790 2gb oc closer look: the video cardgigabyte radeon hd 7790 1gb oc overclocked video card review Gigabyte radeon hd 7790 2gb oc reviewSapphire hd 7790 2gb oc closer look: the video card.

GIGABYTE Radeon HD 7790 1GB OC Overclocked Video Card Review

gigabyte radeon hd 7790 1gb oc overclocked video card review

.

.

Gigabyte HD 7790 1GB OC - LanOC Reviews GIGABYTE Radeon HD 7790 1GB OC Overclocked Video Card Review

GIGABYTE Radeon HD 7790 1GB OC Overclocked Video Card Review

Sapphire HD 7790 2GB OC Closer Look: The Video Card - Sapphire Radeon

Sapphire HD 7790 2GB OC Closer Look: The Video Card - Sapphire Radeon

GIGABYTE Radeon HD 7790 1GB OC Overclocked Video Card Review

GIGABYTE Radeon HD 7790 1GB OC Overclocked Video Card Review

Sapphire Radeon HD 7790 2GB OC Review - Overclockers Club

Sapphire Radeon HD 7790 2GB OC Review - Overclockers Club

© 2025 User Manual and Guide Collection